1.型号说明NX-TJ /Φ※
名称代号:蓄能器托架
蓄能器外径:Φ89~Φ426
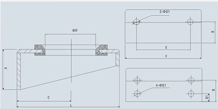
2.结构与外形尺寸蓄能器用固定托架外形结构

3.技术参数型号 | A | B | C | ΦD | Φ;D1 | E | F | B1 | L | 配用蓄能器型号 | 重量 (Kg) |
NX-TJ/Φ89 | 45 | 23 | 62.5 | Φ60 | 2-Φ9 | 60 | 98 | / | 112 | NXQ-0.4L~0.63L | 0.8 |
NX-TJ/Φ114 | 50 | 28 | 75 | Φ60 | 2-Φ9 | 70 | 126 | / | 138 | NXQ-1L | 1 |
NX-TJ/Φ152 | 65 | 35 | 96 | Φ88 | 2-Φ13 | 113 | 162 | / | 178 | NXQ-1.6~6.3L | 2 |
NX-TJ/Φ219 | 100 | 62 | 133 | Φ125 | 4-Φ;17 | 160 | 226 | 22 | 252 | NXQ-10L~40L | 7 |
NX-TJ/Φ299 | 100 | 62 | 173 | Φ140 | 4-Φ17 | 200 | 306 | 22 | 332 | NXQ-20L~100L | 12 |
NX-TJ/Φ351 | 120 | 70 | 212 | Φ170 | 4-Φ17 | 280 | 360 | 30 | 412 | NXQ-63L~160L | 20 |
NX-TJ/Φ426 | 120 | 70 | 237 | Φ200 | 4-Φ17 | 300 | 435 | 30 | 462 | NXQ-100L~250L | 24 |
4.订货说明订货时须写明型号代号全称,如:蓄能器公称容积25L,直径为Φ299托架:NX-TJ/Φ299.(已包括橡胶垫)
若对托架还有特殊要求时,请向本企业商洽。
本企业保留设计更改权,对修改不另行通知。
来福液压提供各种进口、国产蓄能器充氮装置和充氮检测服务。我们从事充氮服务12年,我们具有先进的蓄能器检测设备及充氮工具,我们有专业的技术工程人员和丰富的充氮检测经验。
我们所充氮的蓄能器单只容积小到0.075升大到650升。充氮压力从0.1bar-310bar。我们合作的厂家有石油钻井平台、船舶、电力、军工、核电、化工、矿业、轻工、冶金、工程机械、机电设备、实验室、水泥厂、泵车及科研院校等行业领域。中海油、华为、华宇重工、富士康、大庆油田、玉柴机械、三一泵车、比亚迪、东莞理工学院等知名企业都是我们的客户,我们的愿景是成为液压蓄能技术应用技术的引领者。
我们可以派专来的人员上门充氮检测,用户也可以把蓄能器送到我们工厂来充氮气,或办理托运来我厂,欢迎来电咨询!
12年品牌沉沉淀,专业,快捷,安全,高效。
努力进取、不断创新、为顾客和社会作贡献是东莞来福永恒的宗旨。
我们热切期待与国内外厂商真诚合作,共同发展。
嵊州来福传动科技有限公司
地址:广东省东莞市寮步镇泉塘工业区中星街10号
电话:0769-85659880 85659881
传真:0512-67236762
技术工程师电话:13538356600(谭工)
选择来福的6大理由6 Reasons To Choose XiangLi
01多年专注于液压蓄能应用解决方案Hydraulic energy storage solution
拥有专业的液压蓄能技术精英团队,可根据您的需求为您提供适合您的产品,免费为您蓄能器国产化提供方案。
02专业蓄能器胶囊生产和定制Professional accumulator bladder volume production and customization
专业生产NXQ国标蓄能器胶囊,拥有齐全欧标、美标、日标胶囊模具,可根据您的需求为您定制任何标准蓄能器胶囊。
03专业充氮服务 · 设备齐全Nitrogen-equipped service· Fully equipped
拥有专业的蓄能器充氮设备,提供各类任何种类的蓄能器、蓄能器组、蓄能器站、高压容器上门充氮服务,可以按照用户需求作业,也可办理物流托运充氮或用户来我厂充氮。
04专业蓄能器检测 · 维修服务Business covers accumulator detection & Maintenance
拥有专业的蓄能器检测设备,提供蓄能器上门检测服务;拥有齐全蓄能器维修包,可维修各种类非标、进口、国产蓄能器;提供蓄能器胶囊更换、充氮。
05质量保证 · 诚信为本Quality assurance · Honesty
本公司通过ISO9001-2015国际质量品质认证企业;
招投标AAA级重合同守信用单位;
06贴心的顾问式价值服务Intimate advisory value service
专业人员免费上门勘察工况现场,并提供专业蓄能应用技术方案,及时为您解决问题,免费提供设备技术咨询,终生设备维护。
技术知识Technical Knowledge

-
蓄能器越来越广的应用于我们工业和发展进程当中,作为工业进步非常重要的一环,今天我们来聊一下:进口和本地制造的蓄能器产品,在国内使用,产品须满足相应的国家规范要求,包括:• 蓄能器产品制造商须取得特种设备工厂制造许可证;• 蓄能器产品须...
2022-08-25